Nome Técnico: Elaboração do Esquema Unifilar das Instalações Elétricas – NR 10 Segurança em Instalações e Serviços em Eletricidade + Elaboração do Relatório Técnico e Emissão de ART
Referência: 838
Ministramos Cursos e Treinamentos; Realizamos Traduções e Versões em Idioma Técnico: Português, Inglês, Espanhol, Francês, Italiano, Mandarim, Alemão, Russo, Sueco, Holandês, Hindi, Japonês e outros consultar
Esquema Unifilar NR 10
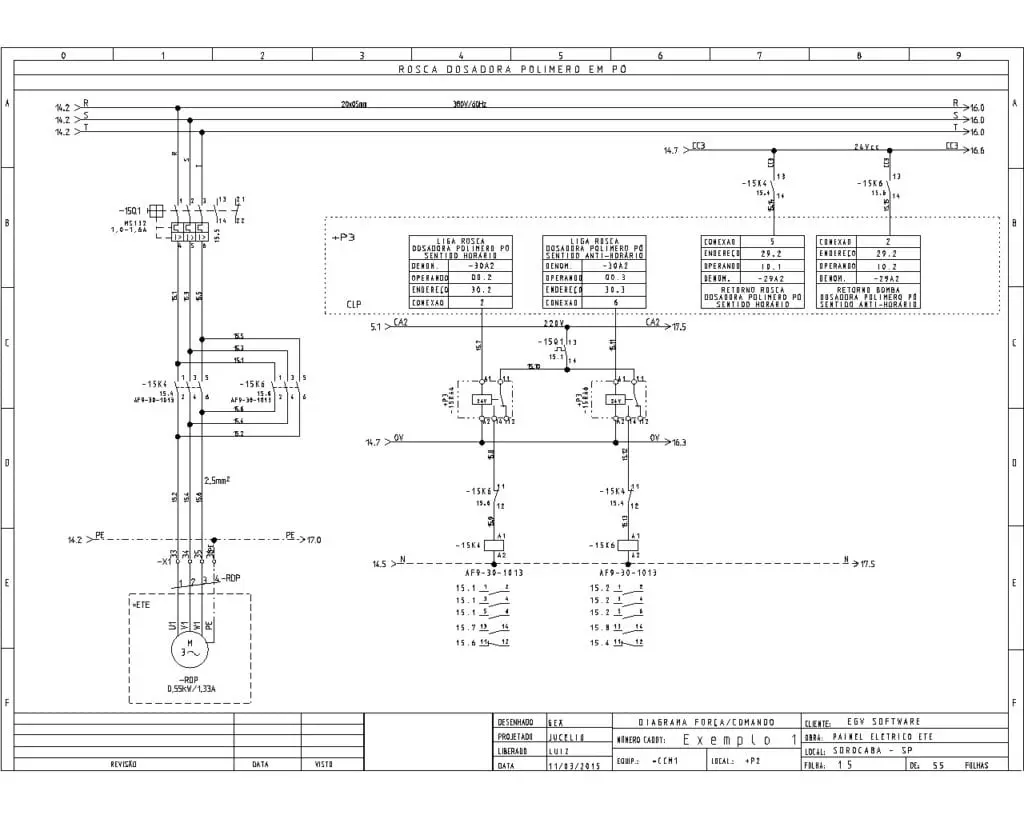
O Esquema Unifilar NR 10 é elaborado conforme exige as normas regulamentadoras e técnicas, quanto a existência de esquemas unifilares elétricos atualizados com a especificação do aterramento e com dispositivos de proteção.
Nesta etapa de trabalho são verificados detalhadamente os circuitos elétricos visando a elaboração dos esquemas unifilares elétricos.
O que é Esquema Unifilar?
Trata-se do documento técnico especializado e, portanto, deve ser elaborado por um profissional habilitado, assim considerando aquele que atende ao estabelecido no item 10.8 desta NR-10, isto é, um técnico de nível médio ou engenheiro eletricista.
Esquema Unifilar são desenhos técnicos representativos de forma simplificada do sistema elétrico da empresa, abrange desde a origem da instalação até os quadros de distribuição de circuitos.
Esquema Unifilar NR 10
Escopo dos Serviços:
Inspeções e verificações quando pertinentes a ser avaliadas na Inspeção pela nossa Equipe multidisciplinar:
Medidas de proteção coletiva compreendem, prioritariamente, a desenergização elétrica
Trabalhos em instalações elétricas, quando as medidas de proteção coletiva forem tecnicamente inviáveis ou insuficientes para controlar os riscos;
Instalações elétricas devem ser previstas e adotadas, prioritariamente, medidas de proteção coletiva aplicáveis;
Vedado o uso de adornos pessoais nos trabalhos com instalações elétricas ou em suas proximidades;
Instalações elétricas especifiquem dispositivos de desligamento de circuitos que possuam recursos para impedimento de reenergização;
Instalações elétricas deve considerar o espaço seguro, quanto ao dimensionamento e a localização de seus componentes;
Configuração do esquema de aterramento, a obrigatoriedade ou não da interligação entre o condutor neutro e o de proteção e a conexão à terra das partes condutoras;
Escopo;
Referências Normativas;
Termos e Definições;
Estrutura;
Parte externa;
Parte interna;
Elementos pré-textuais;
Elementos textuais;
Regras gerais de apresentação;
Paginação;
Títulos;
Citações e notas de rodapé;
Siglas;
Equações e fórmulas;
Ilustrações;
Tabelas;
Avaliação qualitativa;
Avaliação quantitativa;
Tagueamento de Máquinas e Equipamentos;
RETROFIT – Processo de Modernização;
Manutenções pontuais ou cíclicas;
Disposições Finais:
Caderno, Registro fotográfico e Registros de Avaliação;
Registro das Evidências;
Identificação dos Profissionais (Engenheiros e Peritos);
Conclusão do PLH;
Proposta de melhorias corretivas;
Quando Aplicável: Certificado de Calibração;
Emissão da A.R.T. (Anotação de Responsabilidade Técnica) e/ou C.R.T. (Certificação de Responsabilidade Técnica).
É facultado à nossa Equipe Multidisciplinar a inserção de normas, leis, decretos ou parâmetros técnicos que julgarem aplicáveis, sendo relacionados ou não ao escopo de serviço negociado, ficando a Contratante responsável por efetuar os devidos atendimentos no que dispõem as legislações, conforme estabelecido nas mesmas.
Esquema Unifilar NR 10



